Актуатор Theben RMG 8 S KNX (4930220)
Категории: Умный дом Theben KNX
Сопутствующие файлы:
Паспорт
498.80 KBytes
o12764v78_RMG_8_S_KNX_Data_sheet.pdf
Инструкция
7.13 MBytes
o39026v32_RMG_8_S_KNX_Operating_instructions.PDF
файл ETS
523.94 KBytes
o5647v53_KNX_DB_MIX2_KNXDatabase_(Single_Product) (11).ZIP
Обзор
Описание функций
- 8-ходовой исполнительный механизм MIX2
- Базовый модуль MIX2
- Возможность расширения до 24 каналов.
- К одному базовому модулю можно подключить до двух модулей расширения MIX или MIX2.
- Устройство и модуль шины KNX можно заменять независимо друг от друга.
- Съемный модуль шины KNX позволяет заменять устройства без перепрограммирования.
- Ручная настройка и использование исполнительных механизмов возможны без модуля шины KNX.
- Светодиодный индикатор состояния переключения для каждого канала
- Ручное управление на устройстве (даже без подключения к шине)
- Регулируемые характеристики: например. переключение, задержка переключения, импульсная функция
Технические характеристики
| Рабочее напряжение KNX | Напряжение шины, ≤4 мА |
| Рабочее напряжение | 110–240 В переменного тока, 50–60 Гц |
| Потребление в режиме ожидания | ~0,3 Вт |
| Тип установки | DIN-рейка |
| Тип контакта | НО контакт, 16 А, 3 А |
| Резистивная нагрузка | 3680 Вт |
| Тип защиты | IP 20 |
| Класс защиты | II |
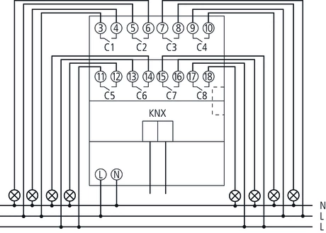
Диаграммы


Характеристики
| Категория KNX | Актуатор вкл/выкл |
| Бренд | Theben |
| Вес | 0.2 кг |
| Размеры (ВxШxГ) | 90 × 72 × 46 мм |
| EAN | 4003468493069 |
| Гарантия | 24 мес. |



