Актуатор Theben RMG 4 I KNX (4930210)
Категории: Умный дом Theben KNX
Сопутствующие файлы:
Паспорт
360.58 KBytes
o12760v78_RMG_4_I_KNX_Data_sheet.pdf
Инструкция
1.90 MBytes
o6026v32_RMG_4_I_Operating_instructions.PDF
файл ETS
523.94 KBytes
o5647v53_KNX_DB_MIX2_KNXDatabase_(Single_Product) (9).ZIP
Обзор
Описание функций
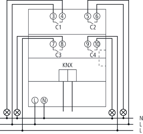
- 4-ходовой исполнительный механизм переключения нагрузки C MIX2
- С нынешним признанием
- Для более высоких ламповых нагрузок
- Базовый модуль MIX2
- Возможность расширения до 12 каналов.
- К одному базовому модулю можно подключить до двух модулей расширения MIX или MIX2.
- Устройство и модуль шины KNX можно заменять независимо друг от друга.
- Съемный модуль шины KNX позволяет заменять устройства без перепрограммирования.
- Ручная настройка и использование исполнительных механизмов возможны без модуля шины KNX.
- Светодиодный индикатор состояния переключения для каждого канала
Технические характеристики
| Рабочее напряжение KNX | Напряжение шины, ≤4 мА |
| Рабочее напряжение | 110–240 В переменного тока, 50–60 Гц |
| Потребление в режиме ожидания | ~1,3 Вт |
| Тип установки | DIN-рейка |
| Тип контакта | НО контакт, 16 А, 10 А |
| Резистивная нагрузка | 3680 Вт |
| Тип защиты | IP 20 |
| Класс защиты | II согласно EN 60 669 |
Диаграммы


Характеристики
| Категория KNX | Актуатор вкл/выкл |
| Бренд | Theben |
| Вес | 0.2 кг |
| Размеры (ВxШxГ) | 90 × 72 × 46 мм |
| EAN | 4003468493083 |
| Гарантия | 24 мес. |



