Актуатор Theben SMG 2 S KNX (4910273)
Категории: Умный дом Theben KNX
Сопутствующие файлы:
Паспорт
428.53 KBytes
o12748v78_SMG_2_S_KNX_Data_sheet.pdf
Инструкция
382.90 KBytes
o5676v32_KNXSMG2S_SME2S_Operating_instructions.PDF
файл ETS
1.61 MBytes
o5799v53_MIX_KNXDatabase_(Single_Product).ZIP
Обзор
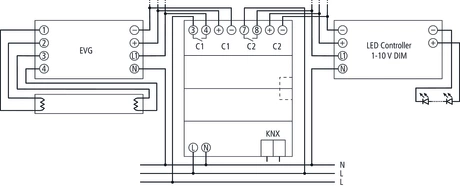
Описание функций
- 2-ходовой блок управления 1–10 В MIX
- Базовый модуль МИКС
- Возможность расширения до 6 каналов.
- Свободное сочетание переключателей, регулирования яркости, управления жалюзи и отопления, а также двоичных входов.
- Переключение и диммирование цепей освещения в сочетании с электронными балластами (ЭП и светодиодные балласты)
- Входы 1–10 В и один переключающий выход (релейный контакт) на канал
- Светодиодный индикатор состояния переключения для каждого канала
- Ручной переключатель с настройками Вкл/Выкл/Шина (также без напряжения шины)
- С перекрестным переключением для экономии контакта реле
Технические характеристики
| Рабочее напряжение KNX | Напряжение шины, ≤10 мА |
| Рабочее напряжение | 230 В переменного тока, 50 Гц |
| Потребление в режиме ожидания | 1,6 Вт |
| Тип установки | DIN-рейка |
| Количество каналов | 2 |
| Пусковой ток | 400 А (150 мкс), 200 А (600 мкс) |
| Тип защиты | IP 20 |
| Класс защиты | II согласно EN 60 730-1 |
Диаграммы


Характеристики
| Категория KNX | Актуатор вкл/выкл |
| Бренд | Theben |
| Вес | 0.2 кг |
| Размеры (ВxШxГ) | 90 × 72 × 46 мм |
| EAN | 4003468491737 |
| Гарантия | 24 мес. |



