Актуатор диммер Theben DMG 2 T KNX (4930270)
Категории: Умный дом Theben KNX
Сопутствующие файлы:
Паспорт
1.03 MBytes
o12788v78_DMG_2_T_KNX_Data_sheet.pdf
Инструкция
2.18 MBytes
o5531v32_DMG_DME_2_T_KNX_Operating_instructions.PDF
файл ETS
523.94 KBytes
o5647v53_KNX_DB_MIX2_KNXDatabase_(Single_Product) (5).ZIP
Обзор
Описание функций
- 2-ходовой универсальный диммер MIX2
- Базовый модуль MIX2
- Возможность расширения до 6 каналов.
- Для регулировки яркости светодиодных ламп, ламп накаливания, галогенных ламп низкого и высокого напряжения, а также энергосберегающих ламп.
- Также подходит для регулировки яркости энергосберегающих ламп.
- Также подходит для управления вентиляторами
- К одному базовому модулю можно подключить до двух модулей расширения MIX или MIX2.
- Устройство и модуль шины KNX можно заменять независимо друг от друга.
- Съемный модуль шины KNX позволяет заменять устройства без перепрограммирования.
- Ручная настройка и использование исполнительных механизмов возможны без модуля шины KNX.
Технические характеристики
| Рабочее напряжение KNX | Напряжение шины, ≤4 мА |
| Рабочее напряжение | 230 В переменного тока, 50 Гц |
| Потребление в режиме ожидания | ~0,9 Вт |
| Тип установки | DIN-рейка |
| Количество каналов | 2 |
| Потеря мощности макс. | 4,5 Вт |
| Тип защиты | IP 20 |
| Класс защиты | II согласно EN 60 669 |
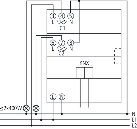
Диаграммы





Характеристики
| Категория KNX | Актуатор диммер |
| Бренд | Theben |
| Вес | 0.2 кг |
| Размеры (ВxШxГ) | 90 × 72 × 46 мм |
| EAN | 4003468490006 |
| Гарантия | 24 мес. |



