Актуатор штор Theben JMG 4 T 24V KNX (4930260)
Категории: Умный дом Theben KNX
Сопутствующие файлы:
Паспорт
452.99 KBytes
o12784v78_JMG_4_T_24V_KNX_Data_sheet.pdf
Инструкция
1.97 MBytes
o5630v32_JMG_424_T_KNX_Operating_instructions.PDF
файл ETS
523.94 KBytes
o5647v53_KNX_DB_MIX2_KNXDatabase_(Single_Product) (3).ZIP
Обзор
Описание функций
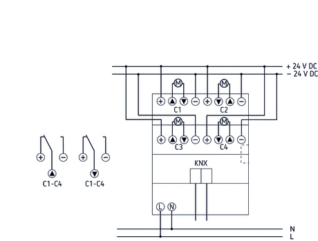
- 4-ходовой привод жалюзи 24 В MIX2
- Базовый модуль MIX2
- Возможность расширения до 12 каналов.
- Для управления приводами 24 В жалюзи, жалюзи, устройствами защиты от солнца и зрения, мансардными окнами и вентиляционными заслонками.
- К базовому модулю можно подключить до 2 модулей расширения.
- К одному базовому модулю можно подключить до двух модулей расширения MIX или MIX2.
- Устройство и модуль шины KNX можно заменять независимо друг от друга.
- Съемный модуль шины KNX позволяет заменять устройства без перепрограммирования.
- Ручная настройка и использование приводов возможны без модуля шины KNX.
- Свободное сочетание переключателей, регулирования яркости, управления жалюзи и отопления, а также двоичных входов.
Технические характеристики
| Рабочее напряжение KNX | Напряжение шины, ~4 мА |
| Рабочее напряжение | 110–240 В переменного тока, 50–60 Гц |
| Потребление в режиме ожидания | ~0,3 Вт |
| Тип установки | DIN-рейка |
| Количество каналов | 4 |
| Выход | Перекидной контакт, 6 А |
| Тип защиты | IP 20 |
| Класс защиты | II согласно EN 60 669 |
Диаграммы


Характеристики
| Категория KNX | Актуатор штор |
| Бренд | Theben |
| Вес | 0.2 кг |
| Размеры (ВxШxГ) | 90 × 72 × 46 мм |
| EAN | 4003468490853 |
| Гарантия | 24 мес. |



