Универсальный актуатор Theben RM 4 I KNX (4940210)
Категории: Умный дом Theben KNX
Сопутствующие файлы:
Паспорт
380.25 KBytes
o12798v78_RM_4_I_KNX_Data_sheet.pdf
Инструкция
1.15 MBytes
o6014v32_RM_4_I_Operating_instructions.PDF
файл ETS
513.19 KBytes
o6018v53_RM_8_I_KNX_KNXDatabase_(Single_Product).ZIP
Обзор
Описание функций
- 4-ходовой исполнительный механизм переключения нагрузки C FIX1
- С нынешним признанием
- Для более высоких ламповых нагрузок
- Светодиодный индикатор состояния переключения для каждого канала
- Ручное управление на устройстве (даже без подключения к шине)
- Регулируемые характеристики: например. переключение, задержка переключения, импульсная функция
- Связи, тип контакта (НЗ контакт/НО контакт) и участие в централизованных командах, таких как постоянное включение, постоянное выключение, централизованное переключение и сохранение/вызов сцены.
- Функции переключения: Вкл/Выкл, импульс, задержка включения/выключения, лестничное освещение с предупреждением.
- Логические ссылки: например. заблокировать, AND, отпустить, OR
Технические характеристики
| Рабочее напряжение KNX | Напряжение шины, ≤4 мА |
| Рабочее напряжение | 110 В переменного тока – 240 В переменного тока, 50–60 Гц |
| Потребление в режиме ожидания | ~1,3 Вт |
| Тип установки | DIN-рейка |
| Лампа накаливания/галогенная нагрузка | 2600 Вт |
| Тип подключения | Клеммные винты | Шинное соединение: шинный терминал KNX |
| Класс защиты | II |
| Степень защиты | IP 20 |
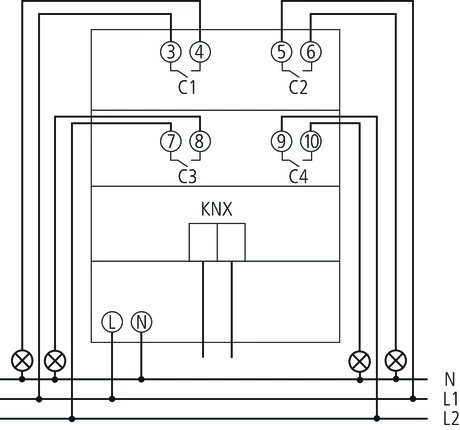
Диаграммы


Характеристики
| Категория KNX | Актуатор вкл/выкл |
| Бренд | Theben |
| Вес | 0.3 кг |
| Размеры (ВxШxГ) | 90 × 72 × 46 мм |
| EAN | 4003468490297 |
| Гарантия | 24 мес. |



