Активатор Theben LUXORliving S4 (4800420)
Категории: Система умного дома Theben LuxorLiving
Сопутствующие файлы:
Инструкция
3.73 MBytes
o11404v32_LUXORliving_S4_Bedienungsanleitung.PDF
Паспорт
422.64 KBytes
o12677v78_LUXORliving_S4_Datenblatt.pdf
Файл настройки
2.36 MBytes
o25201v53_LUXORliving_KNX_DB_KNXDatenbank (8).ZIP
Обзор
Описание функций
- 4-ходовой исполнительный механизм LUXORliving
- Светодиодный индикатор состояния переключения для каждого канала
- Ручное управление устройством (даже без напряжения на шине)
- Функции переключения: напр. Например, включение/выключение, импульс, задержка включения/выключения, лестничное освещение с заблаговременным предупреждением.
- Загрузите программное обеспечение для ввода в эксплуатацию LUXORplug по адресу https://luxorliving.de/luxorplug.
Технические характеристики
| Рабочее напряжение KNX | <4 мА |
| Рабочее напряжение | 110–240 В переменного тока |
| Ширина | 4 ТЕ |
| Цвет | Белый |
| Контактный ток | - |
| Класс защиты | II |
| Степень защиты | IP 20 |
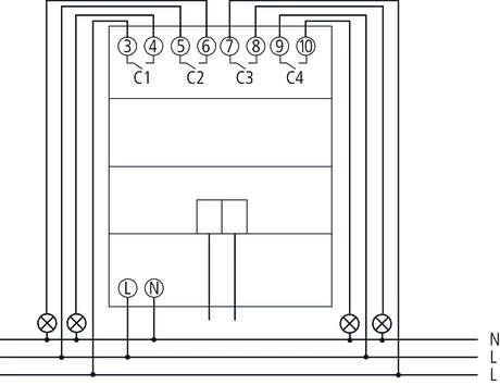
Технические рисунки


Характеристики
| Категория KNX | Актуатор вкл/выкл |
| Бренд | Theben |
| Гарантия | 24 мес. |
| Вид питания | KNX |
| Степень защиты | IP20 (для помещений) |
| Тип аксессуара | Электрические компоненты |
| Цвет | белый |



